S51

Im Herbst 2013 habe ich mir für 250,-€ eine Simson S51 zugelegt. Das Mokick war ziemlich verbastelt und hatte quasi keine Elektrik.
Ursprünglich war es vom Grundmodell scheinbar eine S51 N mit 3 Gängen von 1983. Der letzte Besitzer hat sie schwarz-rot lackiert sowie Federbeine und Auspuff von einer Enduro montiert. Die Sitzbank sowie der Lenker wurden ebenfalls ausgetauscht.
Neben dem defekten Tacho fehlten noch eine Kennzeichenhalterung, Sozius-Fußrasten, der Gepäckträger und eben ein Teil der Elektrik. Die Bremsleuchte funktionierte deswegen nicht und eine Hupe war gar nicht erst vorhanden.
Vom Vorbesitzer wurde mir aber dafür ein Motor mit 60 cm³ und ein 15er Kettenritzel versprochen. Beides zusammen sollte die Maschine etwas flinker machen und auch eine bessere Beschleunigung bringen.
Nach der ersten Ausfahrt stellte sich leider heraus, dass bereits bei 50 km/h schluss ist und noch einiges zu tun bleibt.
Neuaufbau

Als erstes wurde ein neuer Kabelbaum verlegt und die gesamte Elektrik auf einen aktuellen Stand gebracht der in etwa einer S51 E entspricht:
- Blinker (mit dunkel getönten Kappen)
- Bremslicht für Vorder- und Rückbremse
- digitaler Tacho und Drehzahlmesser von Koso
- Durchsetzungsstarke Zweiklang Hupe
- Batterie mit Ladeanlage
- und vor allem ein ordentliches Zündschloss
Es mussten auch viele Kleinteile ersetzt werden. Dazu habe ich mir gleich am Anfang einen kompletten Schraubensatz für das Moped zugelegt und mit diesem auch schon fast jede vorhandene Schraube ersetzt.
Insgesamt kommen sicher über 100 Einzelposten zusammen die neu angeschafft werden mussten, allein um das Moped zu reparieren und wieder verkehrssicher zu machen. Mittlerweile wurden fast alle Teile des Mopeds ausgetauscht. Lediglich wenige Einzelteile im Motor, die Felgen und der Rahmen wurden nicht ersetzt.
Motor
Leider stellte sich bei den Reparaturarbeiten schnell heraus, dass die geringe Motorleistung nicht nur durch den komplett falsch eingestellten Vergaser hervorgerufen wurde. Der Motor war doch nur ein normaler 50 cm³ (mit verkehrt eingebautem Zylinder) und das Kettenritzel ebenfalls nur in Standardgröße. Also nix mit tuning.
Nach den ersten 200 km kam es zu einem Kolbenfresser; der Motor hatte scheinbar doch schon viel über sich ergehen lassen müssen. Das habe ich zum Anlass genommen einen neuen 50cm³ Sportzylinder von LangTuning zu verbauen. Auch Auspuff und Krümmer wurden durch ein Modell von LangTuning ersetzt. Nun ist ein nach AOA3 umgebauter Resonanzauspuff-Auspuff mit angeschweißtem 28mm Krümmer verbaut. Das Moped hat nun ein deutlich breiteres Leistungsband.
Der neue Krümmer wird nun mit zwei Federn und einer Kalotte am Zylinder gehalten.
Diese Verbindung eignet sich viel besser als die standardmäßige Schraubverbindung mit einer Krümmermutter, da nun der Bördelrand des Krümmers nicht mehr abbrechen kann. Außerdem wird durch die Gummidichtung eine deutlich bessere Dichtheit erreicht. Dennoch ist mir nach ein paar hundert Kilometern fast die Kalotte abgefallen da sich das Gewinde gelockert hatte. Zum Glück konnte ich mit einer speziellen untermaßigen Krümmermutter (eine Art Adapter) das Gewinde vom Zylinder retten. Nun habe ich mir die Kalotte mit einer CNC-Drehmaschine in V2A Edelstahl hergestellt. Zusammen mit Teflonband sollten sich die Verschraubungen nun nicht mehr lösen.Anlasser
Ich wollte schon eine ganze Zeit einen Anlasser nachrüsten, hatte aber immer bedenken, ob man alle Teile dafür ranbekommt. Als Hauptproblem sah ich das Anlasserrad, welches zur Montage an die VAPE-Zündanlage angepasst werden müsste. Glücklicherweise werden bereits seit einer Weile angepasst Anlasserräder angeboten. Der Umbau geht relativ einfach. Im Grunde muss nur der Lichtmaschineneckel ausgetauscht werden und das Anlasserrad auf den Rotor geschraubt werden. Am Lenker wird rechts über dem Starthebel der Anlassertaster montiert. Für die elektrische Verschaltung wird noch ein Relais benötigt. Dieses schaltet die 12V direkt von der Batterie, über eine Sicherung, auf den Anlassermotor. Masseseitig wird der Anlasser direkt am Motorgehäuse angeschlossen. Das Relais bekommt 12V von geschaltet Plus (Klemme 15). An die Masseleitung des Relais wird der Anlasserschalter geklemmt, der wiederum mit dem Leerlaufschalter verbunden ist. So kann der Anlasser nur aktiviert werden, wenn der Zündschlüssel auf Zündung steht und kein Gang eingelegt wurde.
Leistung
Mit all diesen Teilen fährt das Moped nun wieder ordentlich und schafft auch (mindestens) die angestrebten 60 km/h. Durch das Tuning ist das Mokick nun erheblich leistungsfähiger, vor allem im oberen Drehzahlbereich. Auch steile Straßen sind nun kein Problem mehr.

Lackierarbeiten
Da der Lack an vielen Stellen schon komplett runter war, habe ich mich dazu entschlossen das Moped neu zu lackieren. Dazu musste ich nochmal alles zerlegen und abmontieren. Ich wollte das Moped in Militäroptik herrichten und entschied mich für eine grün-schwarze Lackierung wie sie bei Fahrzeugen der Bundeswehr verwendet wird. Die beiden Farben habe von www.militaerlacke.de bezogen und sind stumpfmatt. Die Farben sind zudem speziell behandelt und sollen IR reflektierend sein und somit für Infrarot-Nachtsichtgeräte schwerer zu sehen sein.
Alle Rahmenteile habe ich in teerschwarz lackiert; den Tank und den Herzkasten in bronzegrün.
So sieht das Moped mit der neuen Lackierung im CAD-Modell aus (noch ohne S53-Lampenmaske):
Elektrik
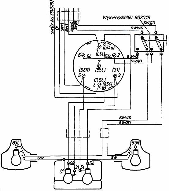
Das Moped habe ich komplett auf 12V Elektronik umgebaut. Als Vorlage diente mir der Schaltplan einer S51 C der schrittweise erweitert wurde.
Da ich keinen Platz mehr für die von mir eingebaute Elektrik hatte, habe ich mich dazu entschlossen eine Lampenmaske einer S53 zu verbauen. Das macht das Mokick nicht unbedingt schöner, aber dafür habe ich nun genug Platz im Armaturenbrett. Hier finden neben den beiden KOSO Digitalanzeigen (Typ DL-02) für Geschwindigkeit und Drehzahl auch drei festverbaute Anzeigen für das Fernlicht, Blinker und Leergang platz. Um die vielen Kabel zu schützen und zu verstecken, habe ich sie in Schläuche gepackt. Die blauen LEDs der KOSO-Anzeigen habe ich gegen rote ersetzt, um sie besser in das Design
Das Zündschloss wurde gegen ein modernes vom SR50 ausgetauscht. Dieses verfügt über nur 3 Schaltstufen (Aus, Tagfahrt, Nachtfahrt) und 8 Anschlüsse. Die gesamte Verteilung erfolgt über Lüster-Klemmleisten. Das hat den Vorteil, dass keine Kontakte mehr offen liegen, keine Quetschverbinder-Verteiler und keine Stromdiebe eingesetzt werden müssen. Alle Kabelenden wurden mit Kabelendhülsen versehen.
Um für alle Verbraucher genügend Leistung bereitzustellen, habe ich die alte Zündanlage mit 70 W Leistung gegen eine Vape-Zündung mit 100 W ausgetauscht. Durch die neue Zündanlage steigt zusätzlich die Verlässlichkeit gegenüber der Unterbrecherzündung. Durch die elektronische Regelung des Zündfunkens können auch höhere Drehzahlen gefahren werden. In dem folgenden Diagramm kann man gut die Elektrik meiner S51 mit dem Standardmodell vergleichen. Scheinwerfer, Rücklicht, Brems- und Blinklicht verbrauchen zusammen 103 W und somit schon 33 W mehr als die Lichtmaschine hergibt. Bei meiner Konfiguration werden dabei nur 62 W verbraucht und 38 W bleiben sogar noch übrig.
Der Scheinwerfer wurde von der müden Biluxlampe auf eine H4-Lampe mit 55/60 W umgerüstet. Alle anderen Lampen wurden durch leistungsstarke LEDs ersetzt. Für die Blinkleuchten wurden wegen der dunkel getönten Blinkerkappen orange LEDs verwendet. Das Rücklicht und das Bremslicht wurden gegen eine LED-Variante von SimsonCustoms ersetzt, die eine deutlich bessere Ausleuchtung und Sichtbarkeit der Rückleuchte ermöglicht. Leider musste ich die Platine erheblich modifizieren um sie so zu benutzen wie es dort angegeben war. Das Rücklicht leuchtet nun nicht nur in der unteren und das Bremslicht in der oberen Hälfte der Rücklichtkappe. Bei eingeschaltetem Rücklicht wird die gesamte Rücklichtkappe ausgeleuchtet, beim Bremslicht leuchten die LEDs stärker. Der Umbau auf LEDs bringt insgesamt einen deutlichen Stromspareffekt (siehe Abbildung oben).
Da die meisten für Kfz angebotenen LED-Lampen kein E-Prüfzeichen besitzen, entspricht ihre Verwendung nicht der StZVO!
In einer Ausnahmeregelung wurde in der DDR festgelegt, dass das Rücklicht bei Tagfahrten nicht eingeschaltet werden muss. Da dadurch Strom gespart wird und die Batterie besser laden kann, habe ich den Zündlichtschalter entsprechend verkabelt. Da das neue LED-Rücklicht aber nur wenige Milliwatt verbraucht, habe ich es auch aus Sicherheitsgründen doch fast immer an.
Außerdem habe ich eine Griffheizung (50 W) und eine Sitzheizung (35 W) installiert, für die ich jeweils einen zweistufigen Schalter im Cockpit verbaut habe und wie in der nebenstehenden Abbildung verkabelt habe. Durch die wahlweise Parallel- oder Reihenschaltung der beiden Griffe / Heizelemente, können somit zwei Heizstufen eingestellt werden.
Um die teuren An- und Umbauten zu schützen, habe ich eine Alarmanlage eingebaut. Über eine kleine Fernbedienung kann die Alarmanlage scharf geschaltet werden. Die Anlage registriert Erschütterungen, bemerkt über einen Mikrowellensensor ob sich Personen nähern und alarmiert auch wenn die Zündung eingeschaltet wird. Die Fernbedingung fängt dann an zu blinken, vibriert und piept.
Zusätzlich habe ich einen GPS-Tracker verbaut der mir minütlich die Position des Mopeds auf meinen Server schickt wo ich mir den Streckenverlauf auf einer Karte ansehen kann.
Um bei den vielen Verbrauchern die Batterieladung im Blick zu behalten, habe ich eine kleine Spannungsanzeige gebastelt, die mit einer zweifarbigen LED den Ladezustand anzeigt.
Da ich nicht immer in den Tank gucken möchte um zu schätzen wie weit ich noch komme, musste eine Tankanzeige her. Unter www.stromkreisparadies.de kann man auch für S51-Tanks eine digitale Tankanzeige bekommen. Diese basiert auf einen Mikrocontroller von Atmel der den Schwimmerstand des Tanksensors auswertet und über fünf LEDs ausgibt. Es gibt sogar eine Variante die komplett ohne Aufbohren des Tanks auskommt. Der Sensor wird dazu über die Öffnung für den Benzinhahn in den Tank eingeführt. Da mir das Design der Anzeige nicht gefiel, habe ich diese zerlegt und in mein Cockpit integriert.
Bei www.ims-kiel.de habe ich den vermutlich letzten elektrischen Benzinhahn für mein Moped in Deutschland bekommen. Bei allen anderen Händlern war er ausverkauft...selbst bei eBay!
Um die gesamte Zusatzelektronik zu betreiben, wird eine starke Batterie benötigt. Besonders die Heizungen können nicht alleine durch die Lichtmaschine betrieben werden. Zuerst habe ich eine Säurebatterie verwendet, die ich aber jetzt gegen eine 5A Gel-Batterie ersetzt habe. Die Gel-Batterie weißt nach meinen Erfahrungen eine deutlich geringere Selbstenladung auf und soll auch mehr Ladezyklen durchhalten.
Zubehör
Neben der zusätzlich angebauten Elektrik wurden ein paar weitere Teile am Mokick angebracht die mir den Alltag erleichtern sollen. Um mehr Gepäck mitzunehmen, habe ich auf der linken Seite einen Seitengepäckträger angebracht und eine Munitionskiste daran befestigt. In dieser passt exakt ein 5l Kanister hinein, sowie eine Flasche Öl, Werkzeug und eine Abdeckplane.
Damit der Fahrtwind (besonders im Winter) die Hände nicht so stark auskühlt, habe ich Handschützer angebracht. An besonders kalten Tagen und in der Wintersaison fahre ich mit Knieschutzdecke.
Sonstige Anbauten die ich praktisch fand bzw. zur Optik passten:
- 2 Spiegel mit 12cm Durchmesser
- getönte Blinkerkappen
- Enduro Schutzblech vorn
- Einklappbarer Kickstarter
- Heidenau Reifen
- Tankdeckel mit Schloss
Anhänger
Um auch größere Lasten mit dem Moped zu transportieren habe ich nach einem Anhänger für das Mokick gesucht. Für 50 € habe ich dann einen vom Typ MWH/F gefunden. Die Abkürzung steht für zum einen für den Hersteller VEB Metallwaren Heldrungen und endet auf die genaue Typenbezeichung. Die gleichen Anhänger wurden auch mit der Bezeichnung MKH hergestellt, da der Betrieb umbenannt wurde in VEB Metallkombinat Heldrungen.
| Bezeichnung | Elektrik | Verwendung |
|---|---|---|
| F | Fahrradrücklicht | Fahrrad |
| M | Rücklicht, Bremslicht | SR-2 |
| M1/M2 | Rücklicht, Bremslicht | Modelle der Vogelserie |
| M3 | Rücklicht, Bremslicht, Blinker | S50/S51 und SR-Typen |
| RB | Rücklicht, Bremslicht, Blinker | Simson Roller |
Die Unterschiede liegen vor allem in der elektrischen Ausstattung. Die Modelle M, M1, M2 unterscheiden sich elektrisch nur durch die verwendete Rückleuchte und dürfen an alle Mokicks mit Blinker am Lenker (z.B. Schwalbe) oder ohne Blinker (S50-N, S51-N) verwendet werden. Das Modell M3 wäre genau das Richtige für meine S51 gewesen, da man diesen Anhänger nur mit Mokicks mit 4 Blinkern fahren darf. Dabei müssen aber die hinteren Blinker beim Benutzen des Anhängers ausgeschaltet werden. Der Typ RB (Rücklicht, Blinker) ist sehr selten und ist für Simson Roller vorgesehen, darf aber auch wie der M3 verwendet werden. Bei diesem Modell muss jedoch der Kupplungskugelkopf eine Größe 25 mm, statt wie bei den anderen Modellen, nur 18 mm haben. Bis auf dieses Modell sehen alle Anhänger sehr ähnlich aus und unterscheiden sich kaum voneinander.
Elektrik
Um meinen WMH/F an meine S51 anzuschließen, musste ich die gesamte elektrische Ausstattung eines M3 Anhängers, und am Mokick zusätzlich noch eine Anhängerkupplung mit der entsprechenden Elektrik nachrüsten. Zuerst habe ich den Anhänger umgebaut. Die Rückleuchte habe ich mit einem Blechwinkel befestigt. Für die Blinker habe ich einen Blinkleuchtenträger halbiert und mit zwei Schrauben am Anhänger befestigt. Die Lampen sollten so befestigt werden, dass sie nicht abbrechen wenn der Anhänger hochkant gestellt wird.
Für die Elektrik werden insgesamt 6 Leitungen mit einem Querschnitt von 0,75 mm² benötigt. Ich habe diese auf 4,5 m vorgeschnitten und durch das Gabelrohr gezogen. Alle Kabel habe ich außerhalb des Rohres in einem Schutzmantel gezogen damit es sauber aussieht und etwas länger hält. Da ich nicht zwei Stecker am Anhänger haben wollte, wie sonst üblich, habe ich eine Verschaltungsvariante gewählt wo nur einer benötigt wird.
Da die Anhänger nur bis 40 km/h zugelassen sind, müssen zusätzlich noch entsprechende 40 km/h-Aufkleber mit 20 cm Durchmesser angebracht werden! Auch das Kennzeichen des Mokicks muss am Anhänger befestigt werden. Am besten dazu das Mokick-Kennzeichen kopieren und laminieren.
Abdeckung
Um auch bei schlechtem Wetter den Anhänger nutzen zu können benötigte ich noch eine Plane. Ich habe mich dazu entschieden aus Aluminiumprofilen ein ausziehbares Gerüst für eine Hochplane zu bauen. Dieses kann ich an den Ecken des Anhängers einstecken und in beliebiger Höhe arretieren oder komplett versenken. Die Plane selber wurde aus einer BW Zeltbahn genäht und hat ein Zugband aus einer Mehrzweckschnur.
- Details
- Zuletzt aktualisiert: 14. Juli 2017
